TVSamsung - Disabilitare la protezione dell'inverter della retroilluminazione SEM2006

Il tuo elettrodomestico ha smesso di funzionare e cerchi qualche consiglio utile per la riparazione? Entra nel forum e cerca la soluzione

Moderatore: dalmos

Rispondi
Avatar utente
ENRICO51
Messaggi: 2074
Iscritto il: sab 16 apr 2022 9:44 am
Località: APRILIA LT

TVSamsung - Disabilitare la protezione dell'inverter della retroilluminazione SEM2006

Messaggio da ENRICO51 »

Buongiorno!
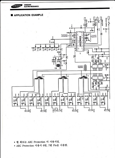
Dovrei disattivare la protezione su un TV Samsung che usa un SEM2006. Su un altro forum ho letto che per disabilitare la protezione va messo a massa il pin 5 del SEM2006, ma sul mioTV non funziona o ho sbagliato qualcosa. C'è qualcuno che sa dirmi come proc
schema SEM 2006 2.jpg
schema SEM 2006 2.jpg (69.92 KiB) Visto 1835 volte
edere? Grazie.
Avatar utente
mariobrossh
Moderator Maximo
Messaggi: 17226
Iscritto il: lun 17 ago 2009 9:11 am
Località: Cosenza

Re: TVSamsung - Disabilitare la protezione dell'inverter della retroilluminazione SEM2006

Messaggio da mariobrossh »

ma di che tipo di protezione stiamo parlando, quella parentale ?
Condividere un'idea è sempre una buona idea :)
Avatar utente
ENRICO51
Messaggi: 2074
Iscritto il: sab 16 apr 2022 9:44 am
Località: APRILIA LT

Re: TVSamsung - Disabilitare la protezione dell'inverter della retroilluminazione SEM2006

Messaggio da ENRICO51 »

No, sto parlando della protezione dell'inverter della retro illuminazione. E' un TV retroilluminato da 14 tubi alimentati dall'inverter in schema.
Avatar utente
Capitan Farloc
Site Admin
Messaggi: 9648
Iscritto il: gio 29 dic 2005 10:58 pm
Località: Roma

Re: TVSamsung - Disabilitare la protezione dell'inverter della retroilluminazione SEM2006

Messaggio da Capitan Farloc »

Il SEM2006 è un chip che fa da inverter per l'alimentazione della retroilluminazione del TV a LED come da te giustamente indicato, quindi immagino che tu abbia un televisore dove non si vede alcuna immagine (oppure si vede per qualche secondo e poi scompare) ma dove le altre funzioni (ad esempio l'audio) continuano a funzionare... è così?
Da quanto trovo su Internet (ma anche dal riscontro su DataSheet) il pin relativo alla protezione è proprio il 5 .
Non sono esperto di televisori e non ho idea della ragione per cui ci sia questa protezione e perchè c'è questa diffusa modalità di riparare il guasto disabilitandolo.
Comunque su quel chip per disabilitare la protezione va cortocircuitato il pin 5 verso massa, se in questo modo non risolvi, allora il problema potrebbe essere relativo a qualcos'altro.
Luciano
Avatar utente
mariobrossh
Moderator Maximo
Messaggi: 17226
Iscritto il: lun 17 ago 2009 9:11 am
Località: Cosenza

Re: TVSamsung - Disabilitare la protezione dell'inverter della retroilluminazione SEM2006

Messaggio da mariobrossh »

se devi provare la retroilluminazione non ti conviene togliere la protezione all'integrato
perché rischi di bruciare l'inverter, è più semplice staccare il connettore tra inverter e pannello
e collegaci un alimentatore, te ne basta uno semplice come questo, ovviamente devi stare
molto attento alla 220 e soprattutto a non invertire la polarità sul connettore delle barre led

Immagine.png
Immagine.png (9.46 KiB) Visto 1826 volte
Condividere un'idea è sempre una buona idea :)
Avatar utente
ENRICO51
Messaggi: 2074
Iscritto il: sab 16 apr 2022 9:44 am
Località: APRILIA LT

Re: TVSamsung - Disabilitare la protezione dell'inverter della retroilluminazione SEM2006

Messaggio da ENRICO51 »

Scusate ma sono stato assente. Spiego meglio. Il Tv che ho trovato buttato collegandolo alla rete e premendo il pulsante di accensione emette una nota musicale e va in protezione. Esponendolo ad una sorgente di luce si intravedono sullo schermo le immagini, poi come dicevo va in protezione l'alimentatore e non si vede e sente più. Dai sintomi Ho pensato all'inverter e aprendo il pannello ho trovato un tubo fluorescente rotto. La retroilluminazione non è a led ma a tubi, ce ne sono 14, uno rotto e altri anneriti, allora ho pensato di convertirlo a led. Tutto l'inverter verrebbe bypassata ma col pin 5 a massa la protezione non si disattiva. Probabilmente c'è da intervenire anche sul pin 17. Mi chiedevo su su questo forum qualcuno aveva fattoqualcosa del genere. Grazie comunque a tutti.
Avatar utente
mariobrossh
Moderator Maximo
Messaggi: 17226
Iscritto il: lun 17 ago 2009 9:11 am
Località: Cosenza

Re: TVSamsung - Disabilitare la protezione dell'inverter della retroilluminazione SEM2006

Messaggio da mariobrossh »

intanto dovresti conosce la tensione di alimentazione di tutte le barre a led che vuoi
montare ed il loro assorbimento per poi verificare se la tensione e la corrente forniti
dall'inverter siano sufficienti ad alimentare le nuove barre led, probabilmente l'inverter
va in protezione perché il carico è in corto o non è corretto
Condividere un'idea è sempre una buona idea :)
Avatar utente
Capitan Farloc
Site Admin
Messaggi: 9648
Iscritto il: gio 29 dic 2005 10:58 pm
Località: Roma

Re: TVSamsung - Disabilitare la protezione dell'inverter della retroilluminazione SEM2006

Messaggio da Capitan Farloc »

L'inverter dovrebbe servire solo per l'alimentazione della retroilluminazione, se dopo un po' il televisore si spegne potrebbe esserci qualche altro problema.
Prima di spenderci soldi, prova a staccare (se è possibile) tutta la parte di alimentazione della retroilluminazione (lampade, inverter ecc.) e vedi se in questo modo il televisore rimane acceso o se continua ad andare in protezione
Luciano
Avatar utente
ENRICO51
Messaggi: 2074
Iscritto il: sab 16 apr 2022 9:44 am
Località: APRILIA LT

Re: TVSamsung - Disabilitare la protezione dell'inverter della retroilluminazione SEM2006

Messaggio da ENRICO51 »

Appena avrò un po di tempo farò delle prove, come togliere l'alimentazione ai trasformatori dell'inverter, isolando così il rilevamento delle tensioni.
Avatar utente
Capitan Farloc
Site Admin
Messaggi: 9648
Iscritto il: gio 29 dic 2005 10:58 pm
Località: Roma

Re: TVSamsung - Disabilitare la protezione dell'inverter della retroilluminazione SEM2006

Messaggio da Capitan Farloc »

: Thumbup :
Facci sapere
Luciano
Avatar utente
ENRICO51
Messaggi: 2074
Iscritto il: sab 16 apr 2022 9:44 am
Località: APRILIA LT

Re: TVSamsung - Disabilitare la protezione dell'inverter della retroilluminazione SEM2006

Messaggio da ENRICO51 »

Ho tolta l'alimentazione ai trasfomatori dell'inverter e il TV non va più in protezione, ma la cosa non va bene per il mio scopo perchè non ho i 24V che mi occorrono. La prossima prova sarà di isolare i secondari dei trasformatori. Poi vi dirò.
Avatar utente
Capitan Farloc
Site Admin
Messaggi: 9648
Iscritto il: gio 29 dic 2005 10:58 pm
Località: Roma

Re: TVSamsung - Disabilitare la protezione dell'inverter della retroilluminazione SEM2006

Messaggio da Capitan Farloc »

: Thumbup :
Ok, un passo alla volta... mi sembra corretto
Luciano
Rispondi