Automatizzazione pompa sommersa
Moderatore: dalmos
Automatizzazione pompa sommersa
Ciao a tutti,
chiedo aiuto riguardo un problema che vorrei risolvere automatizzandolo:
Un igloo del piano interrato, dopo forti piogge tende ad allagarsi per un probabile crepa sul magrone gettato in fase di realizzazione.
Per ovviare al problema ho carotato una foro, messo un tombino e piazzato una pompa sommersa che scarica fuori (era presente una predisposizione).
La cosa funziona egregiamente ma sono io che devo ogni volta ricordarmi di azionare la pompa.
Come potete vedere dalla foto, il galleggiante è sempre posto in alto in modo che la pompa parta sempre e comunque e sono io che dopo circa 10 minuti, quando sento che non pesca più, spengo tutto.
Faccio presente che il galleggiante non è sufficiente ad un azionamento automatico perchè troppo pesante e vorrei che la pompa si azionasse quando si accumulano 2-3 cm. di acqua. Avrei pensato al sistema WPS 4000 (interruttore di livello) ma devo necessariamente predisporre set di cablaggi supplementari per le sonde di avvio e predisporle in una sorta di asta vincolata all'igloo con i livelli che desidero.
Mi chiedo quindi se esiste un modo alternativo o se può essere sostituito il galleggiante con qualcosa di molto più leggero e che galleggi quindi più facilmente.
La pompa è a svuotamento totale.
Grazie a chi avrà dei suggerimenti!
chiedo aiuto riguardo un problema che vorrei risolvere automatizzandolo:
Un igloo del piano interrato, dopo forti piogge tende ad allagarsi per un probabile crepa sul magrone gettato in fase di realizzazione.
Per ovviare al problema ho carotato una foro, messo un tombino e piazzato una pompa sommersa che scarica fuori (era presente una predisposizione).
La cosa funziona egregiamente ma sono io che devo ogni volta ricordarmi di azionare la pompa.
Come potete vedere dalla foto, il galleggiante è sempre posto in alto in modo che la pompa parta sempre e comunque e sono io che dopo circa 10 minuti, quando sento che non pesca più, spengo tutto.
Faccio presente che il galleggiante non è sufficiente ad un azionamento automatico perchè troppo pesante e vorrei che la pompa si azionasse quando si accumulano 2-3 cm. di acqua. Avrei pensato al sistema WPS 4000 (interruttore di livello) ma devo necessariamente predisporre set di cablaggi supplementari per le sonde di avvio e predisporle in una sorta di asta vincolata all'igloo con i livelli che desidero.
Mi chiedo quindi se esiste un modo alternativo o se può essere sostituito il galleggiante con qualcosa di molto più leggero e che galleggi quindi più facilmente.
La pompa è a svuotamento totale.
Grazie a chi avrà dei suggerimenti!
- Allegati
-
- 20230516_073745.jpg (87.87 KiB) Visto 561 volte
-
- 20230516_073734.jpg (89.46 KiB) Visto 561 volte
- mariobrossh
- Moderator Maximo
- Messaggi: 17228
- Iscritto il: lun 17 ago 2009 9:11 am
- Località: Cosenza
Re: Automatizzazione pompa sommersa
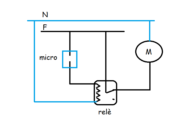
potresti fare come nelle lavastoviglie dove un galleggiante di polistirolo
fissato in una scatoletta sul fondo della vaschetta aziona un microswitch
che, nel tuo caso dovrebbe alimentare un relè che a sua volta da corrente
alla pompa, nel momento in cui il galleggiante non sente più l'acqua apre il
microswitch che disalimenta il relè che sganciandosi toglie corrente alla
pompa
fissato in una scatoletta sul fondo della vaschetta aziona un microswitch
che, nel tuo caso dovrebbe alimentare un relè che a sua volta da corrente
alla pompa, nel momento in cui il galleggiante non sente più l'acqua apre il
microswitch che disalimenta il relè che sganciandosi toglie corrente alla
pompa
Condividere un'idea è sempre una buona idea 
- mariobrossh
- Moderator Maximo
- Messaggi: 17228
- Iscritto il: lun 17 ago 2009 9:11 am
- Località: Cosenza
Re: Automatizzazione pompa sommersa
lo schema sarebbe più o meno così
Condividere un'idea è sempre una buona idea 
Re: Automatizzazione pompa sommersa
Caspita grazie potrebbe essere un'ottima idea e non necessiterebbe di sonde e cavi supplementari.
Dovrei solamente creare uno chassis che contenga il tutto e che garantisca durate nel tempo...
grazie per l'ottimo spunto!
Dovrei solamente creare uno chassis che contenga il tutto e che garantisca durate nel tempo...
grazie per l'ottimo spunto!
Re: Automatizzazione pompa sommersa
sto guardando ora su internet e sono capitato per caso qui:
Ma un sensore verticale ad asta non potrebbe fare al caso mio?
https://www.amazon.it/dp/B07S7QG3LL/ref ... 9kZXRhaWwy
potrei cementare l'estremo al basamento dell'igloo regolando l'altezza di contatto.
Ma un sensore verticale ad asta non potrebbe fare al caso mio?
https://www.amazon.it/dp/B07S7QG3LL/ref ... 9kZXRhaWwy
potrei cementare l'estremo al basamento dell'igloo regolando l'altezza di contatto.
Re: Automatizzazione pompa sommersa
Certo che può andare... naturalmente ti serve sempre un quadretto per comandare il relé che comanda la pompa. Come scritto nelle specifiche del galleggiante a red:


Nessuna buona azione resta impunita
Clare Boothe Luce
Clare Boothe Luce
Re: Automatizzazione pompa sommersa
Grazie Giovanni,
mi chiedo se sia possibile inscatolare il relè direttamente nel vano tombino in modo da non dover aggiungere quadretti esterni e quindi ulteriori cavi.
In teoria dovrei interrompere il cavo alimentazione che và alla pompa (che ho messo sotto un quadro con magnetotermico dedicato), prendere scatola stagna con all'interno un semplice relè (ma che tipologia?) e collegare relè con alimentazione pompa...
Non sono un vero esperto di queste cose, lo ammetto, ma non dovrebbe essere difficile...
Che specifiche minime dovrebbe avere il relè? oltre alla tensione intendo?
grazie ancora,
Sulu.
mi chiedo se sia possibile inscatolare il relè direttamente nel vano tombino in modo da non dover aggiungere quadretti esterni e quindi ulteriori cavi.
In teoria dovrei interrompere il cavo alimentazione che và alla pompa (che ho messo sotto un quadro con magnetotermico dedicato), prendere scatola stagna con all'interno un semplice relè (ma che tipologia?) e collegare relè con alimentazione pompa...
Non sono un vero esperto di queste cose, lo ammetto, ma non dovrebbe essere difficile...
Che specifiche minime dovrebbe avere il relè? oltre alla tensione intendo?
grazie ancora,
Sulu.
Re: Automatizzazione pompa sommersa
Nel trafiletto che ti ho evidenziato si parla di "piccolo relé"... però, per i dettagli, aspettiamo i più esperti.
Nessuna buona azione resta impunita
Clare Boothe Luce
Clare Boothe Luce
Re: Automatizzazione pompa sommersa
Nel frattempo grazie 100000 per il supporto!