Regolazione anta porta finestra con serratura: non si chiude in modo morbido

Domande dubbi o curiosità per quanto riguarda legno mobili e tutto ciò che riguarda la nobile arte del falegname possono essere postati quì

Moderatore: mariobrossh

Avatar utente
giovanni
Messaggi: 9703
Iscritto il: gio 30 ott 2008 12:03 am
Località: siena

Re: Regolazione anta porta finestra con serratura: non si chiude in modo morbido

Messaggio da giovanni »

Complimenti!!! :clapyellow:
Ora levami una curiosità: quali di queste due viti hai toccato? La A o la B?
Regolazione cerniera in Z.png
Regolazione cerniera in Z.png (88.01 KiB) Visto 2324 volte
Nessuna buona azione resta impunita
Clare Boothe Luce
Ioly
Messaggi: 12
Iscritto il: mer 13 dic 2023 9:20 pm

Re: Regolazione anta porta finestra con serratura: non si chiude in modo morbido

Messaggio da Ioly »

La B, infatti nella foto che hai riportato è mostrata la cerniera in basso, che non ho toccato, e puoi notare che la vite B è abbastanza sporgente. Idem nella cerniera in alto, era nella stessa posizione. Invece nelle 2 cerniere centrali le viti B erano molto più interne, quindi con un paio di quarti di giro in senso antiorario le ho riportate un po' fuori, quasi come nella foto, ma non proprio allo stesso livello perché altrimenti la finestra non mi rimaneva ferma da aperta :lol:
Questo forum è stupendo, ora che l'ho scoperto, non vedo l'ora di imparare tante altre cose :-D :-D
Ti ringrazio davvero tanto mi hai risolto un problema non da poco, un difetto del genere era insopportabile!
L'unica cosa che mi dispiace è che non ho capito niente di quello che ho fatto :lol:
In teoria, stando alle indicazioni del prodotto che ti avevo linkato - anche se chiaramente non ho certezza che sia uguale - quella che ho toccato io è la regolazione in pressione, di accostamento. Sostanzialmente credo di aver distanziato un po' la porta dallo stipite, in corrispondenza di quelle due cerniere che ho regolato.
Ma non capisco come la regolazione di quella vite possa influire sul fatto che la porta aperta rimanga ferma o no... fisicamente proprio, non mi entra in testa...forse perché meno la porta aderisce, più tende a essere libera di muoversi? Viceversa più aderisce più rimane ferma in posizione... me lo spiego solo così... però a questo punto non capisco perché la prima volta il tecnico mi ha regolato la vite C (seguendo la foto che hai annotato... la C manca, ce la metto io) che dovrebbe essere una regolazione "orizzontale". Boh, mi piace aver risolto però se non capisco mi rimane sempre una vittoria a metà :lol:
Avatar utente
giovanni
Messaggi: 9703
Iscritto il: gio 30 ott 2008 12:03 am
Località: siena

Re: Regolazione anta porta finestra con serratura: non si chiude in modo morbido

Messaggio da giovanni »

C'è qualcosa che non quadra: hai detto di aver allentato la vite B nelle due cerniere centrali per metterle come le altre due. Però quello che non torna
è il fatto che queste viti non devono variare la loro posizione durante la regolazione. Altrimenti se la variano non regolano più niente.
Difatti la vite rimane ferma, e durante la sua rotazione è il filetto che entra o esce più o meno dal legno. Però per rimanere ferma nel suo asse, deve avere avere un qualcosa che la tiene ferma durante la rotazione.Questo qualcosa potrebbe essere un seger. Quindi, se questo seger prende gioco nella sua sede, la vite non rimane ferma sul suo asse e ruotandola si sposta tutta in avanti o indietro; però la posizione del cardine non varia.
Se guardi questa cerniera (che hai postato tu stessa prima) vedrai che la viti hanno un anello seger di bloccaggio.
Immagine
Quindi io sarei per dire che a forza di regolare le viti, la sede per il seger si è rovinata e la vite può spostarsi avanti e indietro... mentre deve rimanere ferma.
Comunque, ormai hai risolto ed è inutile voler approfondire ulteriormente l'argomento. Però dal momento che ti lamentavi per un tua vittoria a metà,
questo fatto delle viti che non hanno più il bloccaggio assiale, potrebbe essere il tassello del mosaico che ti mancava. :-)
Nessuna buona azione resta impunita
Clare Boothe Luce
Avatar utente
giovanni
Messaggi: 9703
Iscritto il: gio 30 ott 2008 12:03 am
Località: siena

Re: Regolazione anta porta finestra con serratura: non si chiude in modo morbido

Messaggio da giovanni »

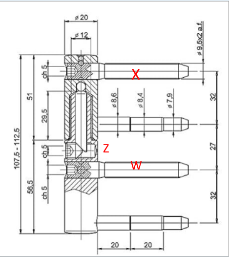
Ancora una cosa, e poi il problema può definirsi sviscerato totalmente: ho finalmente trovato la sezione di una anuba regolabile identica alla tua e ti riporto le conclusioni a cui sono giunto.
Questa è la sezione:
Anuba regolabile sezione con viti X W Z.png
Anuba regolabile sezione con viti X W Z.png (95.71 KiB) Visto 2309 volte
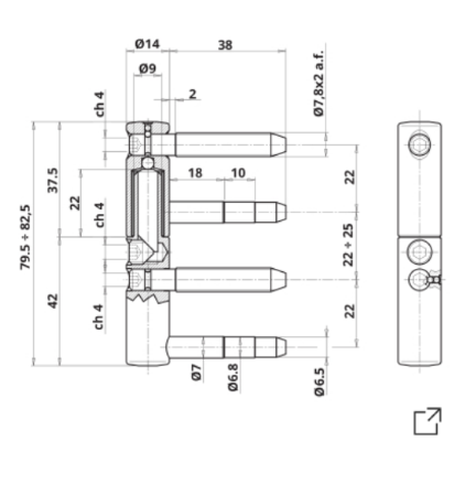
Poi, per rimanere alle lettere assegnate alle 3 viti dal blog che avevi postato prima del "ferro arrugginito" , riporto direttamente l'immagine del sito:
Anuba regolabile con viti Z W X.png
Anuba regolabile con viti Z W X.png (59.01 KiB) Visto 2309 volte
Almeno non ci si sbaglia, quando ci si riferisce alla 3 viti X W Z
Quindi, la vite in alto si chiama X la vite centrale si chiama Z e la vite sotto si chiama W.

Ora partiamo dalla vite X in alto: come si vede, tale vite viene tenuta ferma lungo il suo asse da una sfera che va ad impegnarsi in una gola ricavata sul tondo di 10. Poi sopra si vede un altra sfera che serve a bloccare quella di "lavoro" e che ci viene cianfrinata. Se guardi una delle tue dovresti vedere, dal sopra e lateralmente, un foro con una sfera bloccata dentro.

Per la vite Z , se non trovavo questa spaccato non si sarei mai arrivato: tale vite (con testa a 90°) spinge un alberino con la parte bassa fatta a cuneo che inverte il movimento ricevuto dalla vite, da orizzontale a verticale. Tale alberino agisce su una sfera che a sua volta spinge solleva il perno della bandella (per chiamarla come viene chiamata nel blog)

Ora guardiamo la vite W, che è quella che ci interessa maggiormente: qui il sistema di bloccaggio assiale della vite è uguale alla vite X... con una variante: non potendo utilizzare la sfera nella parte superiore, questa viene inserita lateralmente:
Anuba regolabile sezione con vista bloccaggio vite W.png
Anuba regolabile sezione con vista bloccaggio vite W.png (54.68 KiB) Visto 2309 volte
E ora possiamo risalire alla causa del perché le tue viti W si spostavano durante la loro rotazione: la cianfrinatura sulla sfera laterale di bloccaggio, non ha retto lo sforzo esercitato sulla sfera di lavoro durante la rotazione della vite W. Quindi la sfera di "lavoro" è stata spinta fuori dalla sua sede e, a quel punto, il cardine sullo stipide ha perso completamente ogni sua possibilità di regolazione e quando ruotavi la vite questa si spostava nel suo asse... e pure il cardine era libero di spostarsi sulla vite, la porta andava fuori asse e molleggiava.
Poi nel momento in cui la vite è stata tirata tutta indietro, la sfera di lavoro è in parte rientrata nella sua gola e, quindi, il cardine si è nuovamente bloccato nel suo asse e durante la chiusura la porta non è più andata fuori asse e il difetto è sparito.
E' stata dura... ma alla fine ce l'hai fatta :-D
Nessuna buona azione resta impunita
Clare Boothe Luce
Ioly
Messaggi: 12
Iscritto il: mer 13 dic 2023 9:20 pm

Re: Regolazione anta porta finestra con serratura: non si chiude in modo morbido

Messaggio da Ioly »

Caspita che approfondimento! Hai trovato dei disegni tecnici davvero ben fatti, complimenti e...grazie! Vedi che allora faccio bene a farmi sempre le domande.... :lol:
Quindi a quanto pare dovrò andarci piano d'ora in poi con le regolazioni... :lol: non che la mia intenzione fosse di stare sempre lì a toccare ma almeno so che è un punto delicato.
Credo che il "danno" me l'abbia fatto lui comunque, spero solo che in futuro non bisognerà rimetterci le mani, ad ogni modo nella peggiore delle ipotesi, quando sarà, tra n anni, se avrò problemi non risolvibili con le regolazioni, cambio le cerniere e amen... è un lavoro difficile? Sarà meglio che inizi a prepararmi anche per questo... inizio a fare pesi così tra qualche anno smonto tutte le porte :lol:
Avatar utente
giovanni
Messaggi: 9703
Iscritto il: gio 30 ott 2008 12:03 am
Località: siena

Re: Regolazione anta porta finestra con serratura: non si chiude in modo morbido

Messaggio da giovanni »

Si... purtroppo il bloccaggio con la sfera è di per se un punto di criticità nella regolazione di queste cerniere. Tu capisci che se una sfera esce fuori dalla sua sede, addio regolazione. E in più il cardine rimane libero di spostarsi nel suo asse, provocando difetti di chiusura come è avvenuto nel tuo caso.
Forse tu hai avuto un sesto senso che ti ha portato a dare peso a quella differenza di profondità delle due viti ... e in più hai avuto anche la temerarietà di provare a scoprire cosa sarebbe successo a farle arretrare.
Mai come in questo caso si è dimostrato vero il detto: "la fortuna aiuta gli audaci"!!! FANTASTICA.:clapyellow: : Guru :
Nessuna buona azione resta impunita
Clare Boothe Luce
Avatar utente
Capitan Farloc
Site Admin
Messaggi: 9648
Iscritto il: gio 29 dic 2005 10:58 pm
Località: Roma

Re: Regolazione anta porta finestra con serratura: non si chiude in modo morbido

Messaggio da Capitan Farloc »

giovanni ha scritto: mar 19 dic 2023 11:13 am...Mai come in questo caso si è dimostrato vero il detto: "la fortuna aiuta gli audaci"!!! FANTASTICA.:clapyellow: : Guru :
Beh, lasciami dire che in questo caso oltre che "Fortuna" anche "Giovanni" ha aiutato l'audace Ioly :lol: :lol: :lol:
:bravo:
Luciano
Ioly
Messaggi: 12
Iscritto il: mer 13 dic 2023 9:20 pm

Re: Regolazione anta porta finestra con serratura: non si chiude in modo morbido

Messaggio da Ioly »

giovanni ha scritto: mar 19 dic 2023 11:13 am Forse tu hai avuto un sesto senso che ti ha portato a dare peso a quella differenza di profondità delle due viti ... e in più hai avuto anche la temerarietà di provare a scoprire cosa sarebbe successo a farle arretrare.
Mai come in questo caso si è dimostrato vero il detto: "la fortuna aiuta gli audaci"!!! FANTASTICA.:clapyellow: : Guru :
A qualcosa sarà servito studiare ingegneria... sono una casalinga rifinita :lol:
Scherzi a parte, mi piace capire come funzionano le cose e soprattutto mi piace ripararle se posso - sono grandi soddisfazioni - e so che se faccio piccoli cambiamenti non succede nulla... infatti come consigliato da te, sono subito partita con 1/4 di giro, anzi ti dirò di più, non mi sono messa a dire il dettaglio ma sarà stato circa 1/6, perché non sapendo nulla di ciò che stavo facendo, mi sono detta che per tornare indietro avrei dovuto rifare lo stesso identico giro nell'altro senso... così inserendo la chiave a brugola e vedendo che stava in una certa posizione, ho immaginato fosse la lancetta di un orologio... ferma sull'8. Così ho girato quel tanto che bastava in senso antiorario per arrivare al "6". Non sarei mai riuscita a fare 1/4 di giro in quella posizione :lol:

Ti ringrazio davvero tanto perché mi hai aiutato davvero tantissimo, ha ragione @Capitan Farloc, non è tanto la fortuna ma il tuo grandissimo aiuto!
Spero di poter ricambiare :-)
Rispondi