Come funziona questo tergicristallo?

Il forum per risolvere tutti i problemi dell'impianto elettrico e non solo

Moderatori: dalmos, isex

Rispondi
Avatar utente
giovanni
Messaggi: 9704
Iscritto il: gio 30 ott 2008 12:03 am
Località: siena

Come funziona questo tergicristallo?

Messaggio da giovanni »

Ho il tergilunotto posteriore che, quando lo spengo, si ferma subito senza arrivare in fondo a fine corsa, come dovrebbe.
Ho staccato il connettore che va al motorino e ci sono tre fili: giallo, verde e marrone, tutti dello stesso calibro. Il giallo dovrebbe essere la massa, il verde l'alimentazione di 12V comandata dalla leva al volante e il marrone l'alimentazione ausiliaria che consente alla spazzola di arrivare a fine corsa.
Ho controllato e fra la massa e il marrone non c'è mai tensione. Quindi, o c'è un filo rotto da qualche parte, oppure dentro il motorino c'è un sensore guasto in posizione di chiuso e la centralina non da corrente sul filo marrone.
Poi trattasi di una Hyundai Atos Prime del 2000... e non so neanche se la centralina si sia o meno. A me pare di non averla vista da nessuna parte.
Quindi, nel caso che la centralina non ci fosse, come dovrebbe funzionare il proseguimento della corsa della spazzola fino a fine corsa?
Che il filo marrone sia l'alimentazione ausiliaria per mandare a fine corsa la spazzola, è evidente... rimane da capire come è fatto questo circuito.
Intanto mentre si cerca lo schema elettrico, indago se c'è una interruzione sul filo marrone. L'unico punto può messere solo nel soffietto che porta i cavi sul portellone. Se davvero l'interruzione è lì, allora abbiamo risolto il problema... altrimenti proprio non saprei dove battere il capo. : Sad :
Nessuna buona azione resta impunita
Clare Boothe Luce
plcet
Messaggi: 4286
Iscritto il: lun 16 mar 2009 11:51 pm

Re: Come funziona questo tergicristallo?

Messaggio da plcet »

https://www.youtube.com/watch?v=aPEMugD7Cgw
magari il motorino non è lo stesso, visto che cambia la macchina, ma gira che ti rigira, li fanno tutti alla stessa fabbrica :-D :-D vedi se può aiutarti il video
Avatar utente
giovanni
Messaggi: 9704
Iscritto il: gio 30 ott 2008 12:03 am
Località: siena

Re: Come funziona questo tergicristallo?

Messaggio da giovanni »

Problema risolto.
E' stato più semplice di come si pensava... difatti c'era un filo rotto nel soffietto di gomma del portellone.
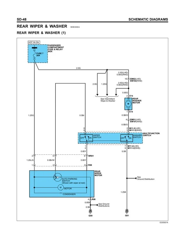
Ho trovato anche lo schema:
Schema tergilunotto Hyundai Atos Prime.jpg
Schema tergilunotto Hyundai Atos Prime.jpg (47.15 KiB) Visto 551 volte
Al motorino arrivano 3 fili: giallo, verde e marrone: Il verde centrale porta il 12V fisso (sotto fusibile), mentre gli altri fili sono due masse per poter alimentare sia il motorino in continuo e sia per mandare la spazzola a fine corsa.

Praticamente la leva sul cruscotto comanda un deviatore: quando si accende il tergi si collega il filo verde alla massa gialla e il tergi gira sempre, e nella posizione di "spento" il filo verde si collega alla massa marrone e la spazzola continua il suo movimento, fino a fermarsi a fine corsa.
Difatti con il filo marrone interrotto la spazzola non andava a fine corsa. Fatto la riparazione saldandoci un filo di prolunga con guaina termorestringente e adesso funziona tutto regolarmente. : Yahooo :
Nessuna buona azione resta impunita
Clare Boothe Luce
Avatar utente
Capitan Farloc
Site Admin
Messaggi: 9648
Iscritto il: gio 29 dic 2005 10:58 pm
Località: Roma

Re: Come funziona questo tergicristallo?

Messaggio da Capitan Farloc »

: Thumbup : Complimenti
Luciano
Rispondi