aggiungere una presa (parte 2)
aggiungere una presa (parte 2)
Arieccomi
come detto, nel dubbio mi fermo e chiedo...
questa volta, invece che una presa, devo aggiungere un pulsante in una stanza.
Il pulsante è un bticino L4005N (preso il codice dagli altri). Questo pulsante deve accendere 1 coppia di 3 faretti a led. Nell'impianto ci sono già 5 pulsanti in 5 stanze diverse che lo fanno nella seguente sequenza:
un click 3 faretti;
due click altri 3 faretti;
tre click tutti e 6 i faretti;
4 click tutti spenti.
Dentro la scatola di derivazione, ovviamente c'è il relè che li comanda.
Ora mi chiedo (anzi vi chiedo)...metto il pulsante nella stanza dove manca, attacco il neutro (filo azzurro) facendo un ponticello da un interrutore qualsiasi vicino dentro la stessa scatola, e attaccato la fase (filo nero) alla fase dell'interrutore uguale posto nell'altra stanza?
come detto, nel dubbio mi fermo e chiedo...
questa volta, invece che una presa, devo aggiungere un pulsante in una stanza.
Il pulsante è un bticino L4005N (preso il codice dagli altri). Questo pulsante deve accendere 1 coppia di 3 faretti a led. Nell'impianto ci sono già 5 pulsanti in 5 stanze diverse che lo fanno nella seguente sequenza:
un click 3 faretti;
due click altri 3 faretti;
tre click tutti e 6 i faretti;
4 click tutti spenti.
Dentro la scatola di derivazione, ovviamente c'è il relè che li comanda.
Ora mi chiedo (anzi vi chiedo)...metto il pulsante nella stanza dove manca, attacco il neutro (filo azzurro) facendo un ponticello da un interrutore qualsiasi vicino dentro la stessa scatola, e attaccato la fase (filo nero) alla fase dell'interrutore uguale posto nell'altra stanza?
Re: aggiungere una presa (parte 2)
Se non devi aggiungere un rele', cioè utilizzare quello che già esiste, il nuovo pulsante va in parallelo ad uno qualsiasi degli altri pulsanti. Il discorso
neutro/fase non ha senso perché il pulsante serve a chiudere il circuito della bobina del relè, non puoi mischiarlo con altri interruttori (inoltre sugli
interruttori non dovresti mai trovare il neutro) per non dire che metteresti in corto fase e neutro
.
Ciao
neutro/fase non ha senso perché il pulsante serve a chiudere il circuito della bobina del relè, non puoi mischiarlo con altri interruttori (inoltre sugli
interruttori non dovresti mai trovare il neutro) per non dire che metteresti in corto fase e neutro
Ciao
Re: aggiungere una presa (parte 2)
ora che me lo dici, è vero lo sapevo pure ma, il dubbio mi è venuto perchè aprendo tutti gli altri pulsanti di queste luci, gli arrivano in 3 pulsanti un filo azzurro blu e uno nero mentre negli altri 2 pulsanti gli arrivano uno nero e l'azzuro fa ponte sul pulsante normale (che accende una sola luce centrale della stanza) nella stessa scatola.
Quindi, se ho capito bene, dallo stesso pulsante dell'altra stanza, basta che faccio partire la fase, la faccio entrare ed uscire in questo pulsante che aggiungo, e dove la faccio riandare?
Quindi, se ho capito bene, dallo stesso pulsante dell'altra stanza, basta che faccio partire la fase, la faccio entrare ed uscire in questo pulsante che aggiungo, e dove la faccio riandare?
Re: aggiungere una presa (parte 2)
CORREGGo...ho visto uno schema su google immagini e forse ho capito...
devo individuare la fase e il filo del relè sul tasto identico dell'altra stanza ed entrambi le porto a questo nuovo tasto che voglio aggiungere...
CORRETTO?
devo individuare la fase e il filo del relè sul tasto identico dell'altra stanza ed entrambi le porto a questo nuovo tasto che voglio aggiungere...
CORRETTO?
- mariobrossh
- Moderator Maximo
- Messaggi: 17228
- Iscritto il: lun 17 ago 2009 9:11 am
- Località: Cosenza
Re: aggiungere una presa (parte 2)
ti devi raccordare in parallelo alla linea dei pulsanti che comandano quel relè
almeno di norma si fa così

almeno di norma si fa così
Condividere un'idea è sempre una buona idea 
Re: aggiungere una presa (parte 2)
Infatti mi sono subito corretto dopo aver visto proprio questo schema su google immagini.
Quibdi è come ho detto...partendo da uno dei pulsanti che ho già da un'altra stanza, tiro la fase e il filo del relè si o al punsante nuovo, corretto?
Quibdi è come ho detto...partendo da uno dei pulsanti che ho già da un'altra stanza, tiro la fase e il filo del relè si o al punsante nuovo, corretto?
- mariobrossh
- Moderator Maximo
- Messaggi: 17228
- Iscritto il: lun 17 ago 2009 9:11 am
- Località: Cosenza
Re: aggiungere una presa (parte 2)
al nuovo pulsante devi collegare la fase nel foro L nell'altro foro metti un filo che
andrai a collegare o alla linea 1 dei pulsanti o direttamente sul relè come ti viene
più comodo
andrai a collegare o alla linea 1 dei pulsanti o direttamente sul relè come ti viene
più comodo
Condividere un'idea è sempre una buona idea 
Re: aggiungere una presa (parte 2)
intendi la fase che ne viene da un'altro pulsante qualsiasi di casa o dall'altro pulsante identico a questo che accende le luci che desidero io?mariobrossh ha scritto:al nuovo pulsante devi collegare la fase nel foro L
intendi il primo pulsante dopo il relè o va bene qualsiasi pulsante?mariobrossh ha scritto:nell'altro foro metti un filo che andrai a collegare o alla linea 1
- mariobrossh
- Moderator Maximo
- Messaggi: 17228
- Iscritto il: lun 17 ago 2009 9:11 am
- Località: Cosenza
Re: aggiungere una presa (parte 2)
se hai la possibilità di collegarti in parallelo ad un pulsante che serve già quel relè
è meglio così non ti devi scervellare tra fase e linea pulsanti, altrimenti la fase la
puoi prendere dove ti pare mentre la linea la puoi collegare ad un pulsante qualsiasi
purché serva quel determinato relè
è meglio così non ti devi scervellare tra fase e linea pulsanti, altrimenti la fase la
puoi prendere dove ti pare mentre la linea la puoi collegare ad un pulsante qualsiasi
purché serva quel determinato relè
Condividere un'idea è sempre una buona idea 
Re: aggiungere una presa (parte 2)
allora...
pulsante collegato e funzionante.
L'ho collegato in parallelo ma ho notato una cosa...oltre il filo del relè, l'altro filo non era la fase ma il neutro. Con il cercafase ho voluto vedere dov'era e la corrente c'era solo nel filo del relè e non nell'altro. Funziona tutto ma è normale?
pulsante collegato e funzionante.
L'ho collegato in parallelo ma ho notato una cosa...oltre il filo del relè, l'altro filo non era la fase ma il neutro. Con il cercafase ho voluto vedere dov'era e la corrente c'era solo nel filo del relè e non nell'altro. Funziona tutto ma è normale?
-
gabriele60
- Messaggi: 651
- Iscritto il: dom 27 set 2009 8:34 am
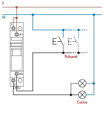
Re: aggiungere una presa (parte 2)
ciao, si usava ( si usa...) per alcuni tipi di relè passo-passo portare il neutro al pulsante per poi dare la fase alla lampada.
- Allegati
-
- rele-impulsi-modulare.jpg (18.14 KiB) Visto 4020 volte
cerco di fare il possibile...
Re: aggiungere una presa (parte 2)
infatti sembrerebbe così da me ma alla fine funziona lo stesso quindi direi che va bene.
Grazie a tutti per i consigli!!!
Grazie a tutti per i consigli!!!