Schema impianto elettrico
Schema impianto elettrico
Signori buonasera,non riuscendo a tirare fuori lo schema di questo impianto luce,
chiedo il Vostro aiuto. Si tratta di 3 lampade indipendenti comandate da un unico
punto luce da 3 interruttori indipendenti.Allego la foto dei fili nella scatola portafrutti.
Per una visione un pò più chiara ho disegnato i fili, rispettando i colori, collegati ai
rispettivi interruttori. Con questi collegamenti le lampade non possono essere tutte e tre
contemporaneamente accese e l'accensione avviene in successione con sequenza S1,S2,S3,
(una spegne l'altra).Ho avuto a disposizione solo questa scatola e potere avvitare e svitare
le lampadine (per effettuare le misure in Ohm e Volt con tester). Per il momento riporto
queste misurazioni (può darsi che per Voi siano sufficienti senza dilungarmi troppo)
-Solo la Lp3 è collegata sicuramente in questo modo,
-Con le Lp avvitate si ha la Fase sui rispettivi fili,
Con le Lp svitate non si ha più Fase sui fili Marrò,
-Il filo Blu è la Fase. Avrei piacere di avere lo schema anche per vedere se c'è la
possibilità di accendere contemporaneamente le lampade. Chiedo scusa per essermi dilungato
e posso postare anche le altre misurazioni su Vs. richiesta.Grazie
Antonio
chiedo il Vostro aiuto. Si tratta di 3 lampade indipendenti comandate da un unico
punto luce da 3 interruttori indipendenti.Allego la foto dei fili nella scatola portafrutti.
Per una visione un pò più chiara ho disegnato i fili, rispettando i colori, collegati ai
rispettivi interruttori. Con questi collegamenti le lampade non possono essere tutte e tre
contemporaneamente accese e l'accensione avviene in successione con sequenza S1,S2,S3,
(una spegne l'altra).Ho avuto a disposizione solo questa scatola e potere avvitare e svitare
le lampadine (per effettuare le misure in Ohm e Volt con tester). Per il momento riporto
queste misurazioni (può darsi che per Voi siano sufficienti senza dilungarmi troppo)
-Solo la Lp3 è collegata sicuramente in questo modo,
-Con le Lp avvitate si ha la Fase sui rispettivi fili,
Con le Lp svitate non si ha più Fase sui fili Marrò,
-Il filo Blu è la Fase. Avrei piacere di avere lo schema anche per vedere se c'è la
possibilità di accendere contemporaneamente le lampade. Chiedo scusa per essermi dilungato
e posso postare anche le altre misurazioni su Vs. richiesta.Grazie
Antonio
- Allegati
-
- 20 x 20.jpg (16.24 KiB) Visto 4176 volte
Re: Schema impianto elettrico
Ho l' impressione che l' impianto reale non corrisponda allo schema che hai disegnato, e anche questo è impreciso.
Segui lo schema che ti allego passo-passo, è un impianto banale e non puoi sbagliarti. Ricordati che per correttezza si deve interrompere sempre la fase!
Segui lo schema che ti allego passo-passo, è un impianto banale e non puoi sbagliarti. Ricordati che per correttezza si deve interrompere sempre la fase!
- Allegati
-
- Immagine 3inter.png (23.94 KiB) Visto 4168 volte
Ogni persona che incontri sta combattendo una battaglia di cui non sai nulla. Sii gentile. Sempre.
https://it.wikipedia.org/wiki/Effetto_Dunning-Kruger
https://it.wikipedia.org/wiki/Effetto_Dunning-Kruger
Re: Schema impianto elettrico
E' chiaro che non mi sono espresso in modo comprensibile. Gli interruttori sono già collegati , e non
essendo molto chiari in foto, ho fatto il disegno. E' evidente che l'impianto non è a norma
(basta vedere la presa derivata dalla linea luce), io non ho fatto altro che fare delle
misurazioni per potere tirare fuori lo schema dei collegamenti fatti dall'elettricista di "turno"
- perchè è chiaro che non si tratta di un professionista- . L'unica cosa certa, ripeto, è il
collegamento della Lp3, le altre Lp. le ho tratteggiate non per indicare il collegamento
al relativo filo, ma dal fatto che avvitando o svitandole il cercafase mi indica se c'è Fase o meno.
A questo punto la domanda è se si può ricavare lo schema attuale di questo impianto con
i dati che ho riportato, e nel caso anche con altri come detto nel precedente post. Grazie
Antonio
essendo molto chiari in foto, ho fatto il disegno. E' evidente che l'impianto non è a norma
(basta vedere la presa derivata dalla linea luce), io non ho fatto altro che fare delle
misurazioni per potere tirare fuori lo schema dei collegamenti fatti dall'elettricista di "turno"
- perchè è chiaro che non si tratta di un professionista- . L'unica cosa certa, ripeto, è il
collegamento della Lp3, le altre Lp. le ho tratteggiate non per indicare il collegamento
al relativo filo, ma dal fatto che avvitando o svitandole il cercafase mi indica se c'è Fase o meno.
A questo punto la domanda è se si può ricavare lo schema attuale di questo impianto con
i dati che ho riportato, e nel caso anche con altri come detto nel precedente post. Grazie
Antonio
- mariobrossh
- Moderator Maximo
- Messaggi: 17228
- Iscritto il: lun 17 ago 2009 9:11 am
- Località: Cosenza
Re: Schema impianto elettrico
scusa tony ma ci sono alcune cose che non mi sono chiare, tu dici :
poi dici :
se la risposta è si allora segui il consiglio e lo schema postato da cabestano
poi dici :Si tratta di 3 lampade indipendenti comandate da un unico
punto luce da 3 interruttori indipendenti.
quindi non sono indipendenti ?Con questi collegamenti le lampade non possono essere tutte e tre
contemporaneamente accese e l'accensione avviene in successione con sequenza S1,S2,S3,
(una spegne l'altra).
poi dici :
quindi vuoi modificare l'impianto ?Avrei piacere di avere lo schema anche per vedere se c'è la
possibilità di accendere contemporaneamente le lampade
se la risposta è si allora segui il consiglio e lo schema postato da cabestano
Condividere un'idea è sempre una buona idea 
Re: Schema impianto elettrico
Non voglio modificare nulla, vorrei solo tirare fuori lo schema dell'impianto esistente,
perchè così come si presenta non sono stato capace. Grazie
Antonio
perchè così come si presenta non sono stato capace. Grazie
Antonio
- mariobrossh
- Moderator Maximo
- Messaggi: 17228
- Iscritto il: lun 17 ago 2009 9:11 am
- Località: Cosenza
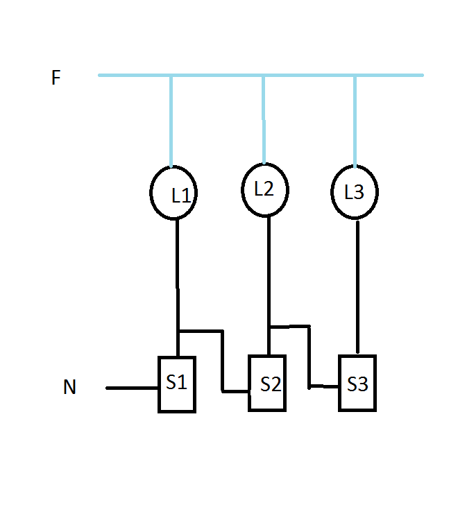
Re: Schema impianto elettrico
se le tue lampade possono essere accese solo in sequenza allora, secondo me
lo schema elettrico è questo
lo schema elettrico è questo
Condividere un'idea è sempre una buona idea 
Re: Schema impianto elettrico
tony38 ha scritto:Con questi collegamenti le lampade non possono essere tutte e tre
contemporaneamente accese e l'accensione avviene in successione con sequenza S1,S2,S3,
(una spegne l'altra)
Assodato che lo schema esatto è quello di cabestano, il tuo fa si accendere le lampade in sequenza ma una non esclude l'altra e inoltre volendo possono rimanere accese tutte tre.mariobrossh ha scritto:se le tue lampade possono essere accese solo in sequenza allora, secondo me
lo schema elettrico è questo
Per tony38 invece della scatola con i fili scollegati sarebbe meglio vedere come sono collegati in origine gli interruttori e individuare i fili cioè L1-L2-L3- fase o neutro, praticamente quello che hai a disposizione.
Magari sono solo i ponti tra i tre interruttori che sono presi a valle degli interruttori stessi (vedi schema mariobrossh) invece che a monte.
Ciao a tutti.....Carlo
- mariobrossh
- Moderator Maximo
- Messaggi: 17228
- Iscritto il: lun 17 ago 2009 9:11 am
- Località: Cosenza
Re: Schema impianto elettrico
In effetti non riesco a spiegarmi come possa fare
ad accendere e spegnere le lampade in sequenza
non vorrei ci fosse un relè
ad accendere e spegnere le lampade in sequenza
non vorrei ci fosse un relè
Condividere un'idea è sempre una buona idea 
Re: Schema impianto elettrico
Mi sa che abbiamo perso di vista il motivo di questo mio post. Se avessi posto la domanda:Signori buonasera,non riuscendo a tirare fuori lo schema di questo impianto luce,
In una scatola ci sono 2 fili collegati ad un interruttore che fa accendere e spegnere una
lampadina. Vorrei sapere lo schema elettrico di questo impianto". Voi mi avreste risposto
con questo schema. Giusto? E' quello che sto tentando di fare nel mio caso. Grazie
Antonio
Re: Schema impianto elettrico
Amici chiedo scusa se non rimango in collegamento, devo assentarmi
per assistere allo show aereo per i 55 anni delle nostre MITICHE.
Sono ospiti 10 Pattuglie acrobatiche. Non posso mancare. Grazie
Antonio
per assistere allo show aereo per i 55 anni delle nostre MITICHE.
Sono ospiti 10 Pattuglie acrobatiche. Non posso mancare. Grazie
Antonio
Re: Schema impianto elettrico
Tony 38 ha scritto
io non ho fatto altro che fare delle
misurazioni per potere tirare fuori lo schema dei collegamenti fatti dall'elettricista di "turno"
- perchè è chiaro che non si tratta di un professionista- .
Come già detto molte altre volte sul forum, le misurazioni effettuate con il cercafase non sono attendibili, perchè la lampadina si accende anche sui ritorni (in pratica si accende anche dove tu supponi di avere un neutro). Ancora peggio se hai incertezze sugli impianti in questione. Quindi...multimetro!!!il cercafase mi indica se c'è Fase o meno.
Ogni persona che incontri sta combattendo una battaglia di cui non sai nulla. Sii gentile. Sempre.
https://it.wikipedia.org/wiki/Effetto_Dunning-Kruger
https://it.wikipedia.org/wiki/Effetto_Dunning-Kruger
Re: Schema impianto elettrico
Perfettamente d'accordo! Posto allora le misure effettuate con tester
sia in misura Ohm, sia in Volt.Mi auguro che possano essere sufficienti
perchè di più non posso fare non trovandomi sul posto. Grazie.
Antonio
sia in misura Ohm, sia in Volt.Mi auguro che possano essere sufficienti
perchè di più non posso fare non trovandomi sul posto. Grazie.
Antonio
Re: Schema impianto elettrico
Pardon, ho cliccato inavvertitamente su Invia senza postare. Dopo tante ore
di Alta Acrobazia Aerea - sotto il sole - penso mi vogliate scusare
Grazie
Antonio
di Alta Acrobazia Aerea - sotto il sole - penso mi vogliate scusare
Antonio
Re: Schema impianto elettrico
Nel tuo schema non trovo B1, nella tabella resistenza>lampade svitate>B1>N quegli 80 Ohm mi fanno pensare a qualche cosa in serie al circuito. Ma quello che non ho ben capito è: l' impianto funziona e vuoi solo ricavare lo schema oppure non funziona o non funziona come vorresti?
Ogni persona che incontri sta combattendo una battaglia di cui non sai nulla. Sii gentile. Sempre.
https://it.wikipedia.org/wiki/Effetto_Dunning-Kruger
https://it.wikipedia.org/wiki/Effetto_Dunning-Kruger
Re: Schema impianto elettrico
Scusami, hai ragione, nello schema B1 è il primo tratto - prima
della connessione con B2 e B3 -; per quanto riguarda l'impianto
è funzionante; vorrei tirare fuori solo il relativo schema perchè
mi incuriosisce. Grazie
Antonio
della connessione con B2 e B3 -; per quanto riguarda l'impianto
è funzionante; vorrei tirare fuori solo il relativo schema perchè
mi incuriosisce. Grazie
Antonio