Sostituzione deviatori con relè passo passo
Sostituzione deviatori con relè passo passo
Innanzitutto salve a tutti, sono nuovo del forum, vi ho trovati facendo una ricerca su google, mi sembrate veramente preparati. Ho provato a cercare sul forum un argomento simile al mio ma non sono riuscito a trovarlo, forse ho sbagliato i termini della ricerca.
Il mio problema è il seguente: ho due deviatori che accendono una serie di neon da due punti diversi della casa, vorrei che questi neon non si accendessero tutti insieme, quindi ho pensato di utilizzare un relè passo passo e due pulsanti. Il problema è che non sono sicuro di come effettuare i collegamenti.
Potete aiutarmi? Vi servono foto dei collegamenti attuali? Vi ringrazio in anticipo per l’aiuto
Il mio problema è il seguente: ho due deviatori che accendono una serie di neon da due punti diversi della casa, vorrei che questi neon non si accendessero tutti insieme, quindi ho pensato di utilizzare un relè passo passo e due pulsanti. Il problema è che non sono sicuro di come effettuare i collegamenti.
Potete aiutarmi? Vi servono foto dei collegamenti attuali? Vi ringrazio in anticipo per l’aiuto
Re: Sostituzione deviatori con relè passo passo
Non ti basta un rele passo passo, ma devi usare un rele commutatore ad impulso come il Finder 26 04 e devi anche modificare l' impianto.
Vedi catalogo Finder :
https://gfinder.findernet.com/public/at ... /S26IT.pdf
Vedi catalogo Finder :
https://gfinder.findernet.com/public/at ... /S26IT.pdf
Ogni persona che incontri sta combattendo una battaglia di cui non sai nulla. Sii gentile. Sempre.
https://it.wikipedia.org/wiki/Effetto_Dunning-Kruger
https://it.wikipedia.org/wiki/Effetto_Dunning-Kruger
Re: Sostituzione deviatori con relè passo passo
Ciao grazie per la risposta.
Si forse ho sbagliato ad indicarlo, ho un Finder 27.05, ma quello che mi interessa è lo schema per la modifica dell’impianto.
Si forse ho sbagliato ad indicarlo, ho un Finder 27.05, ma quello che mi interessa è lo schema per la modifica dell’impianto.
Re: Sostituzione deviatori con relè passo passo
Devi almeno schematizzare come è ora l' impianto.
Ogni persona che incontri sta combattendo una battaglia di cui non sai nulla. Sii gentile. Sempre.
https://it.wikipedia.org/wiki/Effetto_Dunning-Kruger
https://it.wikipedia.org/wiki/Effetto_Dunning-Kruger
Re: Sostituzione deviatori con relè passo passo
Ti servono le foto dei deviatori? E dei neon? O basta uno schemino??
Re: Sostituzione deviatori con relè passo passo
No, devi vedere come sono collegati i neon ora.
Ogni persona che incontri sta combattendo una battaglia di cui non sai nulla. Sii gentile. Sempre.
https://it.wikipedia.org/wiki/Effetto_Dunning-Kruger
https://it.wikipedia.org/wiki/Effetto_Dunning-Kruger
Re: Sostituzione deviatori con relè passo passo
I neon sono posti in parallelo tra un cavo grigio che esce dal secondo deviatore e un cavo blu, ho provato ad allegare delle immagini ma mi da sempre errore dicendo che il file è troppo grande
- mariobrossh
- Moderator Maximo
- Messaggi: 17225
- Iscritto il: lun 17 ago 2009 9:11 am
- Località: Cosenza
Re: Sostituzione deviatori con relè passo passo
per inserire le foto leggi qua
Condividere un'idea è sempre una buona idea 
Re: Sostituzione deviatori con relè passo passo
https://postimg.cc/gallery/csqgr12a/
Queste sono le immagini, spero siano esaurienti.
Queste sono le immagini, spero siano esaurienti.
Re: Sostituzione deviatori con relè passo passo
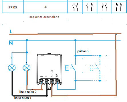
Non riesco a capirne molto, penso ti convenga cercare la fase e il neutro( L e N) che alimentano il tutto e rifare le connessioni ex novo, come da schema.
- Allegati
-
- 2705 conn.png (30.14 KiB) Visto 6228 volte
Ogni persona che incontri sta combattendo una battaglia di cui non sai nulla. Sii gentile. Sempre.
https://it.wikipedia.org/wiki/Effetto_Dunning-Kruger
https://it.wikipedia.org/wiki/Effetto_Dunning-Kruger
Re: Sostituzione deviatori con relè passo passo
Ciao ancora grazie per l'aiuto, ho fatto questi due schemi, quello di sotto è lo schema attuale, quello di sopra dovrebbe essere il modificato con il relè, secondo te è giusto?
https://postimg.cc/7GF7Yw0B
https://postimg.cc/7GF7Yw0B
Re: Sostituzione deviatori con relè passo passo
No, segui lo schema che ti ho postato
Ogni persona che incontri sta combattendo una battaglia di cui non sai nulla. Sii gentile. Sempre.
https://it.wikipedia.org/wiki/Effetto_Dunning-Kruger
https://it.wikipedia.org/wiki/Effetto_Dunning-Kruger
Re: Sostituzione deviatori con relè passo passo
Ok ci proverò, grazie