Relè modifica

Il forum per risolvere tutti i problemi dell'impianto elettrico e non solo

Moderatori: dalmos, isex

Avatar utente
dalmos
Moderator Maximo
Messaggi: 6503
Iscritto il: dom 20 mar 2011 5:58 pm

Re: Relè modifica

Messaggio da dalmos »

È molto strano , in quanto i cavi che alimentano la bobina sono il bianco e il grigio centrali .
Ma non sapendo dove va a finire il secondo grigio , potrebbe fare da ritorno e compromettere il funzionamento .
Fai quella prova che ti ho detto e vediamo .
• A volte è meglio tacere e sembrare stupidi che aprir bocca e togliere ogni dubbio.

Oscar Wilde
1frank88
Messaggi: 22
Iscritto il: mer 29 apr 2020 6:04 pm

Re: Relè modifica

Messaggio da 1frank88 »

Staccado i fili grigi la storia non cambia...anzi perdo il funzionamento di un interruttore ed ho sempre il vuoto
Avatar utente
dalmos
Moderator Maximo
Messaggi: 6503
Iscritto il: dom 20 mar 2011 5:58 pm

Re: Relè modifica

Messaggio da dalmos »

Se stacchi quei due fili grigi la lampada non può funzionare .
Se funziona forse il commutatore non è quello .
• A volte è meglio tacere e sembrare stupidi che aprir bocca e togliere ogni dubbio.

Oscar Wilde
1frank88
Messaggi: 22
Iscritto il: mer 29 apr 2020 6:04 pm

Re: Relè modifica

Messaggio da 1frank88 »

Giuro che funziona..
Avatar utente
dalmos
Moderator Maximo
Messaggi: 6503
Iscritto il: dom 20 mar 2011 5:58 pm

Re: Relè modifica

Messaggio da dalmos »

Intendi che senti il relè che fa lo scatto ,oppure che la lampada si accende e si spegne senza collegare gli ultimi due grigi ?
• A volte è meglio tacere e sembrare stupidi che aprir bocca e togliere ogni dubbio.

Oscar Wilde
1frank88
Messaggi: 22
Iscritto il: mer 29 apr 2020 6:04 pm

Re: Relè modifica

Messaggio da 1frank88 »

Funziona la lampada e il relè ma perdo il funzionamento di un interruttore...e comunque resta sempre il famoso vuoto
Avatar utente
dalmos
Moderator Maximo
Messaggi: 6503
Iscritto il: dom 20 mar 2011 5:58 pm

Re: Relè modifica

Messaggio da dalmos »

Se staccando quei due fili esterni la lampada si accende ancora , allora c'è un problema ,ma non riferito al relè ,ma dell'impianto elettrico ,
Visto che il relè non ha cosa collegare ,dato i cavi staccati.
Avevi già messo le mani prima di chiedere .?
• A volte è meglio tacere e sembrare stupidi che aprir bocca e togliere ogni dubbio.

Oscar Wilde
1frank88
Messaggi: 22
Iscritto il: mer 29 apr 2020 6:04 pm

Re: Relè modifica

Messaggio da 1frank88 »

No non avevo toccato nulla
Avatar utente
dalmos
Moderator Maximo
Messaggi: 6503
Iscritto il: dom 20 mar 2011 5:58 pm

Re: Relè modifica

Messaggio da dalmos »

Screenshot_20200430-122357_Google.jpg
Screenshot_20200430-122357_Google.jpg (23.48 KiB) Visto 3086 volte
• A volte è meglio tacere e sembrare stupidi che aprir bocca e togliere ogni dubbio.

Oscar Wilde
1frank88
Messaggi: 22
Iscritto il: mer 29 apr 2020 6:04 pm

Re: Relè modifica

Messaggio da 1frank88 »

Mi sa che ci lascio perdere : Sad : che dici? Ma chiamando un elettricista è risolvibile la cosa?
Avatar utente
dalmos
Moderator Maximo
Messaggi: 6503
Iscritto il: dom 20 mar 2011 5:58 pm

Re: Relè modifica

Messaggio da dalmos »

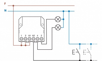
Devi identificare i cavi .questo è lo schema .
Screenshot_20200430-125606_Google.jpg
Screenshot_20200430-125606_Google.jpg (15.36 KiB) Visto 3086 volte
Se vuoi piano piano vediamo
• A volte è meglio tacere e sembrare stupidi che aprir bocca e togliere ogni dubbio.

Oscar Wilde
Avatar utente
dalmos
Moderator Maximo
Messaggi: 6503
Iscritto il: dom 20 mar 2011 5:58 pm

Re: Relè modifica

Messaggio da dalmos »

Puoi vedere bene che se elimini i cavi dai due morsetti a estrema destra , togli i cavi che vanno ad alimentare le lampadine ,
Quindi se a te continua ad accendersi e spegnere , da dove prende la tensione ?
Dal relè certamente no .
• A volte è meglio tacere e sembrare stupidi che aprir bocca e togliere ogni dubbio.

Oscar Wilde
1frank88
Messaggi: 22
Iscritto il: mer 29 apr 2020 6:04 pm

Re: Relè modifica

Messaggio da 1frank88 »

Estrema destra quindi parli dei 2 cavi rossi?
1frank88
Messaggi: 22
Iscritto il: mer 29 apr 2020 6:04 pm

Re: Relè modifica

Messaggio da 1frank88 »

Eliminando i 2 rossi la luce non va ma il relè parte
Avatar utente
dalmos
Moderator Maximo
Messaggi: 6503
Iscritto il: dom 20 mar 2011 5:58 pm

Re: Relè modifica

Messaggio da dalmos »

I due rossi sono solo un ponte del bianco per portare tensione su due poli diversi ,
Che fanno capo attraverso le lamelle mobili interne solo ai due morsetti esterni dall'altro lato , ma se tu togli i due grigi e i morsetti rimangono vuoti , come fanno a chiudere i contatti , ?
Ma potrebbero chudere i contatti magari per una rottura interna del relè , ma se i fili sono scollegati non hanno con cosa chiudere i fili rossi .
Quindi ricollega i fili rossi , stacca i fili grigi esterni , fai accendere la lampada e poi stacca l'altro grigio , sarebbe il primo .
Questo deve portare solo tensione alla bobina quando si azionano i pulsanti , ma vediamo se si spegne la lampada staccandolo .
• A volte è meglio tacere e sembrare stupidi che aprir bocca e togliere ogni dubbio.

Oscar Wilde
Rispondi